


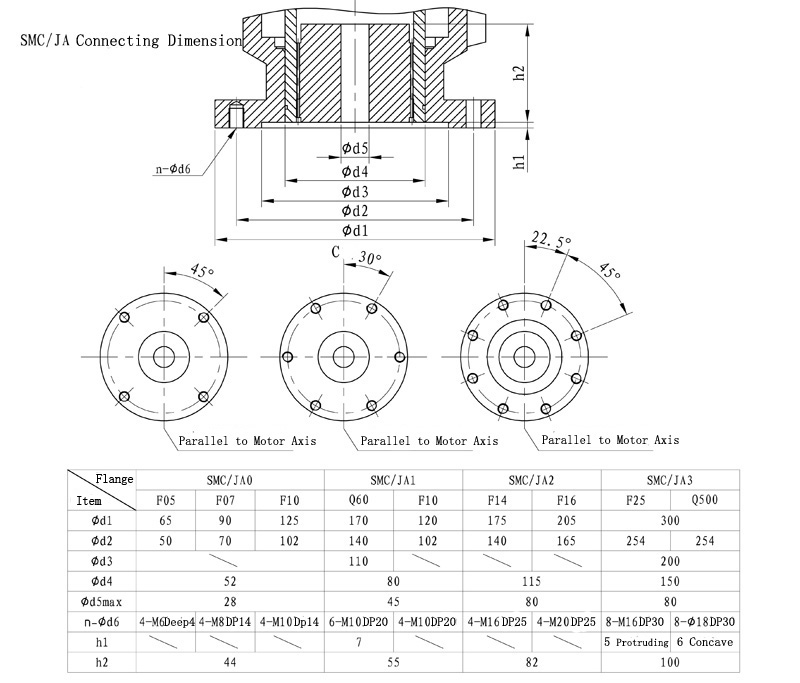
SMC/JA ,part-turn valve electric actuators , are used in ball valve,butterfly valve and motorized air dampers. This seris is always consist of SMC multi-turn electric actuator and JA part-turn speed reducer.The conditions of temperature numidity,elevation and level of protection are up to SMC standard